Tco Modelisme Ferroviaire
Tout pour faire un reseau.

Tco modelisme ferroviaire. Vous trouverez tout le materiel pour pratiquer le modelisme ferroviaire. Au dela de nos belles rencontres ma passion ne sarrete pas au coin dun stand mais setend a travers notre magasin en ligne. Doudou modelisme cest plus de 25 ans de passion partagee avec tous ceux qui me rencontre depuis quelques annees dans les salons et les differentes foires du modelisme ferroviaire en france. Bonjour je ne sait pas si je poste au bonne endroit et je men excuse par avance.
La premiere operation consiste a dessiner les plans des futurs tco a lechelle 11. Lunivers du train miniature sur 200 m2 de reve. Cest efficace economique peu encombrant facile a realiser et a installer. Je vous presenterais le reste quand je laurais fais.
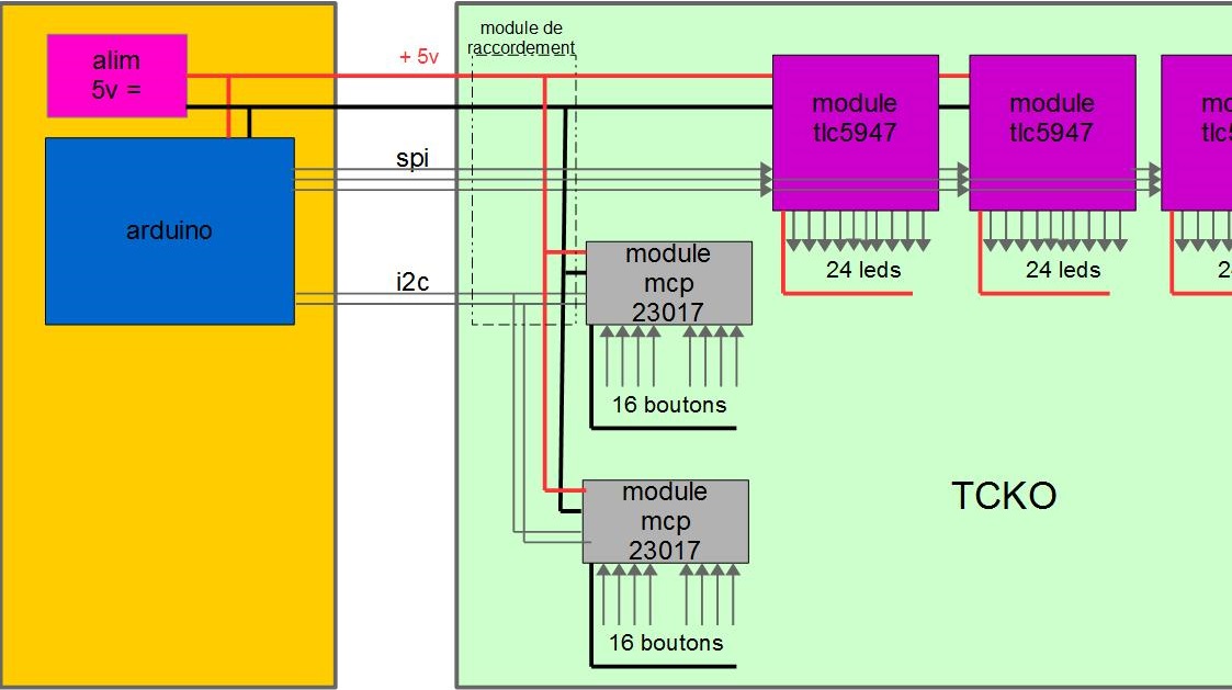
Cest un systeme de commande numerique de reseau ferroviaire miniature de derniere generation qui a la particularite detre realisable par le commun des modelistes ferroviaires mortels grace a une documentation qui le guide et une communaute active qui le soutient meme si celui ci na aucune notion delectronique. Des milliers de references en stock aux echelles les plus courantes z n ho hoe hom 1 g. Tco t ableau de c ommande o ptique. Latelier du train magasin et site de vente de modelisme ferroviaire.
Je voudrais savoir quel materiaux vous employez pour vos tco cest surtout le trace qui me pose probleme je ne sait pas avec quoi le realise pour que cela soit bien propre comme jen ai deja vu sur le forum. Tco en mode analogique ou digital avec pcb et arduino je consigne sur ce blog mes travaux relatifs a la realisation au sein de lamfpv de 4 tco analogiques destines notamment a commander les aiguilles du grand reseau du club. 247 tutoriel 19 pour le reseau ho installation des facades avants et des 2 tco terminaux de commande optiques. Je vous presente une partie du tco il manque les commandes daiguilles de mon reseau.
Le plan des voies de la gare est trace au crayon. Plaque de medium 3 mm sur.
Mon Reseau T Trak Comportant Maintenant 13 Aiguillages Le Pilotage De Ces Accessoires Via La Multimaus N Est Pas Vr Modelisme Ferroviaire Aiguillage Modelisme























































































